回路について・・・

フォトインタラプラ TLP851
SHARP製LED(直径3mm)
さて、ここで一番重要な役目を担っているのが「光センサー」である。 今回は 汎用のフォトインタラブタを3個使い、手製のスリット板と共に「ロータリーエンコーダー」を構成している。 ロータリーエンコーダーの応用として最も身近なものといえば「マウス」であるが、 今回は高々16段階のカウントができればよいため、精度は余り要求されない。 スリットの数も、 実装を考えたとしても10個程度あれば何とかなるレベルなので、自作でも対応できる筈だ。
ここでは、カウント用として2個、ゼロ位置検出用として1個フォトインタラブタを実装している。
カウント用のフォトインタラブタは位相差の違いで上下カウントの判定を行うため、 90度位相がズレた状態(片方が全開の時、もう片方は半開)で実装する必要がある。


位相判別

光センサーからの信号は、CRによるフィルタを通してノイズをざっと除去したあと、74HC14を使用した シュミットトリガーで受ける。 カウントのために使用する「A」「B」と、ゼロ位置用の「R」をそれぞれ同一 回路で構成した。 この後、カウント用の「A」「B」は遅延回路とEX−ORによる位相検出を行い、デコーダを 通して「UP」「DOWN」信号が生成される。

カウント

カウンターは、74HC193による4ビットのアップダウンカウンターである。 上記の「UP」「DOWN」 信号でカウントアップとダウンを行う。 アクセルを放してゼロ位置にある場合は「R」の信号により、強制的に 4ビットとも0がロードされる。


アクセルレベル表示

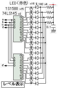
さて表示部であるが、グラフ状のLEDを構成するため、3Φの赤色LEDを16個用意した。 これの両サイドをヤスリで少しずつ削り、2.5mmピッチのユニバーサル基板に詰めた状態で並べて実装する。 削りすぎてLEDを壊してしまわないように注意しよう (^^;;
表示用のドライバーには74LS145を使用した。 消費電力は多めだが、ドライブ能力が高く LEDのドライバーとして便利に使えるICだ。 ここでは16個のLEDを接続するので2個使用する。 それぞれの振り分けのため、カウンターの最上位ビットを反転した信号が必要になるので、 余ったEX−ORを使って作っておく。

少し余談になるが、視覚効果を高めるためにちょっとした工夫を施してある。 回路図上で74LS145の 出力ピン相互間にダイオードが渡してあるのが確認できるはずだ。 LEDのアノード側も4つ置きに共通になるよう 4分割してある。 ここで例えば「4」の出力がオンになったとしよう。 4←3←2←1←0の順序でダイオードが つながっているので、それぞれ約0.7Vの電位差でドライブされる。 但し0と4はLEDのアノードが共通のため、 4がドライブされている時、0はダイオードによる電位差のために電流は流れない。 結果的に、4を先頭として3〜2〜1と少しずつ暗くなりながら帯状表示が行われることになる。 他の出力がオンになっている場合でも、同様の結果が得られるようにしてあるので確認してみて欲しい。 これは74LS145の出力端子がオープンコレクタであるからこそ使える方法である。


エアコンカット判定・遅延タイマー

続いて任意のポイントでエアコンを切るための「判定部」だ。
ここまでの回路が比較的ディジタル的な処理となっている状態から一変して、アナログ的な回路である (^^;;

まず、カウンターの出力4ビットをD/A変換し、16段階のアナログ信号にする。 ここは特殊な部品を使わずに 精度を得るため、同一の抵抗9本を使用し直並列に組み合わせて重み付けを行ってバッファアンプに接続する。 一方、カット位置調整用の可変抵抗も同様にバッファアンプを通し、それぞれの出力をコンパレーターで 比較している (単に逆位相加算してVCCの半分より高いか低いか見ているだけであるが・・・)。
ここでは、バッファアンプとコンパレーターを何れも4069UBで構成している。 4069UBは 抵抗で負帰還をかけるだけでアナログアンプとして使え、またVCCの半分をしきい値とする 簡易コンパレーターとしても使える。 但し、くれぐれも高精度を期待してはいけない(笑)。 蛇足であるが、 ここは4069Bや74HC14、74HC04などバッファタイプのICで 代用することはできないので注意して欲しい。 型番末尾の「UB」は「アンバッファ」の意味である。

ここまででエアコンカットの判定ができるようになったので、この判定結果で74HC123によるワンショットマルチをトリガーする。 7406と2SA695を用いてLEDとリレーのドライブを行っているが、リレーの動作条件にワンショットマルチの出力を加えることで、 アクセルを踏み込んでカットされた後、すぐに放しても10秒程度の間再始動しないようにしている。


製作について

ああだこうだと試行錯誤しながら作り、車に取り付けたのが 1997年初夏だったっけ・・・
結局それから2年半、何とかノントラブルで動き続けてくれているようだ (^^;;
ちなみに右が内部の部品配置。 正直言って細かいことは忘れました(爆)
製作時の記憶をたどりながら、写真中に主な部品の位置を書き添えておいたのでご参考に・・・

あと、部品についてコメントしておくと、2SA695は廃品種に指定されているようなので、 新規に購入する場合はPNPタイプの小出力用トランジスタで代用して欲しい。
ロジックICは、TTLの74LS・ノーマル74、C−MOSの74HC・4000シリーズの混在となっているので、 配線時に頭が混乱しないように注意しよう。 ピン配置図は省略させていただくが、今回 C−MOSの空きユニットが何個か存在するので、安定動作のため入力ピン (入力だけですヨ!)を手近なGNDに落としておこう。 7406はTTLなので、 空きユニットは未処理でOKだ。
リレーは手持ちの関係で松下のHB2−5Vを使用した。 ちょっと消費電力が大きいようで、 7805をケースに装着して放熱する必要があったりする。 これから購入するならもうちょっと吟味しよう。  2回路のものでももう少し小型で省電力のものがあるはずだ。  ちなみに接点はNC側を使用し、この装置の制御が不要の場合はリレーとLEDの電源ラインを解放することで 動作をスルーさせる方式としている。  購入するときは、NC(通電していない時に閉じている)接点があることの確認をお忘れなく。


トップメニューへ
クルマ関連工作メニューへ
前のページへ
続いて、クルマへの実装方法